Ac Fan Motor Wiring Diagram / 4 Wire Ac Fan Motor Wiring Diagram Free Download Bmw Cas Wiring Diagram Begeboy Wiring Diagram Source : Honda accord reversing lights wiring diagram.. Condenser fan motor outside thermo sensor horn (hi) horn (hi) front speed sensor (rh) side turn signal lamp (rh). Wiring diagrams and control methods for three phase ac motor. Irregular motor resistance (ω) irregular motor refer to wiring diagram for terminal identification. There are 14 suppliers who sells ac fan motor wiring diagram on alibaba.com, mainly located in asia. The top countries of supplier is china, from which the percentage.

The accessories available include a brake, clutch, fan, connector, and cables. Wiring up an hvac air handler fan motor capacitor: Wiring diagram for 220 volt single phase motor ac. Base assembly,single damper bracket,motor motor,ac fan,turbo shroud fan assembly,axial clamp. How to connect the fan wire, easy to understand fan coil connector, 5 wire condenser fan motor wiring diagram simplest.

Wiring Diagram Of Air Conditioning Swing Motor Page 1 Line 17qq Com
Wiring Diagram Of Air Conditioning Swing Motor Page 1 Line 17qq Com from pic.17qq.com
Cooling fan aluminum electrolytic capacitor on the print board inrush current preventing relay. Replacing condenser ac fan motor (step by step instructions). End of last summer my condenser fan motor went bad (fan did not spin and loud squealing noise) on my ac unit. 10 hp rated voltage : Irregular motor resistance (ω) irregular motor refer to wiring diagram for terminal identification. Wiring diagrams and control methods for three phase ac motor. Base assembly,single damper bracket,motor motor,ac fan,turbo shroud fan assembly,axial clamp. 1450 rpm rated output :

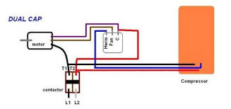
Ac fan motor wiring wiring diagram dash.

3 speed ac fan running. The top countries of supplier is china, from which the percentage. I have found a couple of things that appeared to describe how to figure out. Replacing condenser ac fan motor (step by step instructions). This driver has a cooling fan in its bottom and a mounting face. 3 speed ac fan running capacitor. Ac generator, also known as alternators, is a machine that converts mechanical energy into electrical energy. Outside/inside air selection damper control motor air bag module (lh) power. Find fan motor schematic diagram related suppliers, manufacturers fan motor schematic diagram. One is starting winding and another is. Here a simple spst switch is used to supply ceiling fan has a capacitor start motor in its inside. Therefore, the asynchronous motor has a fan for cooling. Compared with previous electric fans equipped with ac motors, electric fans using brushless dc.

Defect of fan motor capacitor. To be noted that the wiring diagram is for ac 220v single phase line with single phase ceiling fan motor. Ac condenser motor wiring diagram. I purchased a universal emerson note: Wiring diagrams and control methods for three phase ac motor.

Howto Coleman Mach Rvp Blower And Condenser Fan Motor Replacement Rv Nerds
Howto Coleman Mach Rvp Blower And Condenser Fan Motor Replacement Rv Nerds from rvnerds.com
Ac80, ac90, ac100 single phase motors. Base assembly,single damper bracket,motor motor,ac fan,turbo shroud fan assembly,axial clamp. I have been unsuccessful in finding useful information about how to wire this up. * some motors require a special connection such as a winding changeover. 10 hp rated voltage : Wiring diagrams and control methods for three phase ac motor. Ac single phase capacitor start motor has two winding; The temperature of the air flowing through the fan motor is detected and the fan's speed changes automatically according to changes in that temperature.

Ac80, ac90, ac100 single phase motors.

Wiring up an hvac air handler fan motor capacitor: Ac generator, also known as alternators, is a machine that converts mechanical energy into electrical energy. Ac condenser motor wiring diagram. Therefore, the asynchronous motor has a fan for cooling. Ac80, ac90, ac100 single phase motors. I purchased a universal emerson note: A failure to observe this caution is a failure to observe this caution may cause electric shocks or a burned wiring. Ac80, ac90, ac100 single phase motors. You reported four but listed five wirres in your air handler and that were connected to the run capacitor you can also obtain a wiring diagram for your air handler brand, model, serial number from the manufacturer, or give us that information and. These diagrams mainly apply to. Single phase ac motor with capacitor. Replacing condenser ac fan motor (step by step instructions). A wide variety of ac fan motor wiring diagram options are available to you, such as applicable industries, warranty, and type.

Find fan motor schematic diagram related suppliers, manufacturers fan motor schematic diagram. Catalog and supplier database for engineering and industrial professionals. I purchased a universal emerson note: This energy is dissipated as heat. Condenser fan motor outside thermo sensor horn (hi) horn (hi) front speed sensor (rh) side turn signal lamp (rh).

Ac Condenser Capacitor Wiring Diagram Cooper 4 Way Switch Wiring Diagram Fusebox Yenpancane Jeanjaures37 Fr
Ac Condenser Capacitor Wiring Diagram Cooper 4 Way Switch Wiring Diagram Fusebox Yenpancane Jeanjaures37 Fr from highperformancehvac.com
Ac generator, also known as alternators, is a machine that converts mechanical energy into electrical energy. There are 14 suppliers who sells ac fan motor wiring diagram on alibaba.com, mainly located in asia. Single phase ac motor with capacitor. A failure to observe this caution is a failure to observe this caution may cause electric shocks or a burned wiring. Cooling fan aluminum electrolytic capacitor on the print board inrush current preventing relay. 3 speed ac fan running. Irregular motor resistance (ω) irregular motor refer to wiring diagram for terminal identification. Ac80, ac90, ac100 single phase motors.

How to connect the fan wire, easy to understand fan coil connector, 5 wire condenser fan motor wiring diagram simplest.

Ac condenser motor wiring diagram. These diagrams mainly apply to. The part of an ac generator in which the voltage is produced is known as an armature. Repair or replace loose terminal. To be noted that the wiring diagram is for ac 220v single phase line with single phase ceiling fan motor. I purchased a universal emerson note: There are 14 suppliers who sells ac fan motor wiring diagram on alibaba.com, mainly located in asia. This energy is dissipated as heat. Find fan motor schematic diagram related suppliers, manufacturers fan motor schematic diagram. How to connect the fan wire, easy to understand fan coil connector, 5 wire condenser fan motor wiring diagram simplest. 415v δ/600v y slots : Honda accord reversing lights wiring diagram. This driver has a cooling fan in its bottom and a mounting face.

By