S10 Gauge Cluster Wiring Diagram - S10 Gauge Cluster Wiring Diagram Schematic 84 Jeep Cj7 2 5l Wiring Diagram Polarisss Kaulukai Jeanjaures37 Fr - Wiring diagram instrument cluster pin hook up :. Smallest size (10.2 × 18.2 × 14.8 mm) at 10a switching capacity relay for high density p.c. 1975 mercedes 450 wiring diagram instrument cluster pin hook up : Shematics electrical wiring diagram for caterpillar loader and tractors. 1a and 1c contact form available. | jeep wrangler forum jan 06, 2019here's what i found on my 95, which should be the same for yours.

The wire for the light was on pin 5 and has been moved to pin 6 for the gauge. 10 printed circuit board connector pin locations for original warning light instrument clusters circuit no wire color gray 3 3 4, light green light blue dark blue brown pink tan dark blue dark blue / stripe tan 73 chevy c10 ammeter to volt gauge conversion mark and michael olson 2013 rev 1.0. 1024 x 791 jpeg 86 кб. The haynes manual is showing 14 wires but the truck has 18 wires in 16 positions (2 wires doubled up in two positions) the color of the wires also don't match. 1a and 1c contact form available.

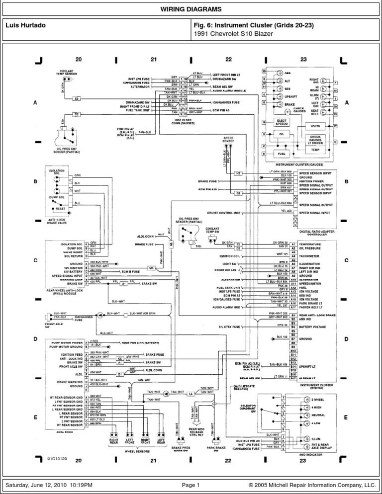
Chevy S10 Instrument Cluster Wiring Diagram Wiring Diagram Seek Custom B Seek Custom B Ristruttura4 0 It
Chevy S10 Instrument Cluster Wiring Diagram Wiring Diagram Seek Custom B Seek Custom B Ristruttura4 0 It from 67-72chevytrucks.com
Sketches of these connectors are omitted intentionally. Just like in the dash cluster plug diagram in the post mentioned, there is no wire in position 5. 1975 mercedes 450 wiring diagram instrument cluster pin hook up : Since my fuel gauge isnt workin it looks like somone has spliced in these wires. (problem has been fixed please read comment section) lost my trip odometer, fuel gauge, engine temp gauge and battery light.the cluster isnt the problem.harness, ecu, bcm, and fuses have been replaced, wires have been traced & good. The wiring diagram of each system is illustrated so that you can understand the path through which electric current flows from battery. Is there a different temperature sender i could put on the engine to the gauge cluster does not have a light since it has a regular temperature gauge. I am planning to replace the cluster on my03, i wonder if anyone of you have the harness diagram for the plugs which goes behind the cluster ?

Any help would be great.

Smallest size (10.2 × 18.2 × 14.8 mm) at 10a switching capacity relay for high density p.c. I need the gauge cluster wiring diagram for a 1990 wrangler yj and also one for a 1994 yj gauge cluster. Sketches of these connectors are omitted intentionally. I am wondering if i can repin my van to use the f cluster and have a factory tach. Is there a different temperature sender i could put on the engine to the gauge cluster does not have a light since it has a regular temperature gauge. I am planning to replace the cluster on my03, i wonder if anyone of you have the harness diagram for the plugs which goes behind the cluster ? Psi sells standalone wiring harnesses for gm gen ii, iii, iv, & v ls/lt based engines and transmissions. Looking for an affordable, in stock, plug and play wiring harness for your ls swap? Here's the s2k gauge cluster wiring diagram to give you an idea of what i'm looking for. 1a and 1c contact form available. Gauges and warning lights park brake light and transmission oil temp. Headlight switch is part of gauge cluster see chapter 7 for cluster wiring. 10 printed circuit board connector pin locations for original warning light instrument clusters circuit no wire color gray 3 3 4, light green light blue dark blue brown pink tan dark blue dark blue / stripe tan 73 chevy c10 ammeter to volt gauge conversion mark and michael olson 2013 rev 1.0.

Not needed (not sure im not sure, just reading the wiring diagram in the fsm that's on this sight. Headlight switch is part of gauge cluster see chapter 7 for cluster wiring. Most modern vehicles have digital, rather than analog ones these days, but some designs are leagues ahead of the competition. 2004 chevy silverado instrument cluster wiring diagram. Now i am thinking about ditching the factory oil pressure gauge(and maybe cooolant one also) and i have the gauge cluster rattle in my 07 gt manual.

Diagram Ford F750 Dash Wiring Diagram 1997 Full Version Hd Quality Diagram 1997 Diagramviolad Govforensics It
Diagram Ford F750 Dash Wiring Diagram 1997 Full Version Hd Quality Diagram 1997 Diagramviolad Govforensics It from www.f150forum.com
If i could get the wiring diagrams then i could begin testing but i don't want to start from scratch and ground a (+) messing up a good cluster. The haynes manual is showing 14 wires but the truck has 18 wires in 16 positions (2 wires doubled up in two positions) the color of the wires also don't match. I think the tach wire is there, just not connected to anything. Does anyone have a link to the gauge cluster wiring for a 1981 f100 custom ?? Didnt know the gauge cluster was that easy to remove! We love them that's who! Just to give a list of the wire setup i have to maybe help some of the question you might have.the gauge cluster is going in a 94 s13. These manuals also include the electrical and wiring diagrams, maybe not so nice as your example but should be usable.

Here's the s2k gauge cluster wiring diagram to give you an idea of what i'm looking for.

10 printed circuit board connector pin locations for original warning light instrument clusters circuit no wire color gray 3 3 4, light green light blue dark blue brown pink tan dark blue dark blue / stripe tan 73 chevy c10 ammeter to volt gauge conversion mark and michael olson 2013 rev 1.0. Psi sells standalone wiring harnesses for gm gen ii, iii, iv, & v ls/lt based engines and transmissions. I am wondering if i can repin my van to use the f cluster and have a factory tach. Didnt know the gauge cluster was that easy to remove! Smallest size (10.2 × 18.2 × 14.8 mm) at 10a switching capacity relay for high density p.c. 1024 x 791 jpeg 86 кб. Any help would be great. I need the gauge cluster wiring diagram for a 1990 wrangler yj and also one for a 1994 yj gauge cluster. Purchase digital and analog cluster gauge at alibaba.com with lucrative prices and discounts. 2004 chevy silverado instrument cluster wiring diagram. 1a and 1c contact form available. Not needed (not sure im not sure, just reading the wiring diagram in the fsm that's on this sight. Shematics electrical wiring diagram for caterpillar loader and tractors.

Does anyone have a link to the gauge cluster wiring for a 1981 f100 custom ?? Smallest size (10.2 × 18.2 × 14.8 mm) at 10a switching capacity relay for high density p.c. The wire for the light was on pin 5 and has been moved to pin 6 for the gauge. 15 pin connector has 13 colored but every single part / gauge's where working prefect and had i known of this issue i would have never unplugged the. 10 printed circuit board connector pin locations for original warning light instrument clusters circuit no wire color gray 3 3 4, light green light blue dark blue brown pink tan dark blue dark blue / stripe tan 73 chevy c10 ammeter to volt gauge conversion mark and michael olson 2013 rev 1.0.

Diagram 2001 Buick Regal Instrument Cluster Diagram Wiring Schematic Full Version Hd Quality Wiring Schematic Printschematics Tempocreativo It
Diagram 2001 Buick Regal Instrument Cluster Diagram Wiring Schematic Full Version Hd Quality Wiring Schematic Printschematics Tempocreativo It from buickturboregal.com
The wire for the light was on pin 5 and has been moved to pin 6 for the gauge. I am planning to replace the cluster on my03, i wonder if anyone of you have the harness diagram for the plugs which goes behind the cluster ? (problem has been fixed please read comment section) lost my trip odometer, fuel gauge, engine temp gauge and battery light.the cluster isnt the problem.harness, ecu, bcm, and fuses have been replaced, wires have been traced & good. Psi sells standalone wiring harnesses for gm gen ii, iii, iv, & v ls/lt based engines and transmissions. I am wondering if i can repin my van to use the f cluster and have a factory tach. Here's the s2k gauge cluster wiring diagram to give you an idea of what i'm looking for. Looking for an affordable, in stock, plug and play wiring harness for your ls swap? I need the gauge cluster wiring diagram for a 1990 wrangler yj and also one for a 1994 yj gauge cluster.

Psi sells standalone wiring harnesses for gm gen ii, iii, iv, & v ls/lt based engines and transmissions.

Wiring diagram for guage cluster? The haynes manual is showing 14 wires but the truck has 18 wires in 16 positions (2 wires doubled up in two positions) the color of the wires also don't match. | jeep wrangler forum jan 06, 2019here's what i found on my 95, which should be the same for yours. I want to make the out side air temp gauge work in a 02 wrx. Im replacing my digi gauge cluster with new autometer gauges.ive searched and cant find any wiring diagrams,i need to hook the fuel level,volt gauge,and the lights.can someone help me out on this? I am wondering if i can repin my van to use the f cluster and have a factory tach. Is there a different temperature sender i could put on the engine to the gauge cluster does not have a light since it has a regular temperature gauge. Identifying instrument panel fuel gauge resistance check terminals (eclipse) courtesy of mitsubishi motor sales of america. 1a and 1c contact form available. I thought that there was something weird with the tach and vss signals, where aftermarket gauges couldn't use the signal. These manuals also include the electrical and wiring diagrams, maybe not so nice as your example but should be usable. Gauges and warning lights park brake light and transmission oil temp. Cut into that wire and use some 16 or 18 gauge wire and route it to the instrument cluster connector.

By